En la actualidad, y como consecuencia de la lucha contra el cambio climático que libran todos los países, el uso de la energía renovable ha alcanzado gran popularidad. Pero entre ellas, la preferida es la fuente solar por las ventajas que presenta, como la larga vida útil de los equipos, además de que su producción es gratuita. Para poder aprovecharla, es necesario un importante equipo, como lo es el inversor fotovoltaico.
Las clases de inversor solar
Este equipo es el encargado de convertir la electricidad DC producida por los paneles solares en AC que consumen la mayoría de los equipos. Existen muchas clases de inversor, tomando en cuenta diversas variables como tecnología, onda de salida, tamaño, entre otras.
Pero una de las más importantes viene dada por la optimización del rendimiento, que tiene por objetivo la maximización del ahorro energético en el consumo en momentos de alta demanda. Es en estos periodos donde la electricidad convencional es más cara. Las principales clases son las siguientes.
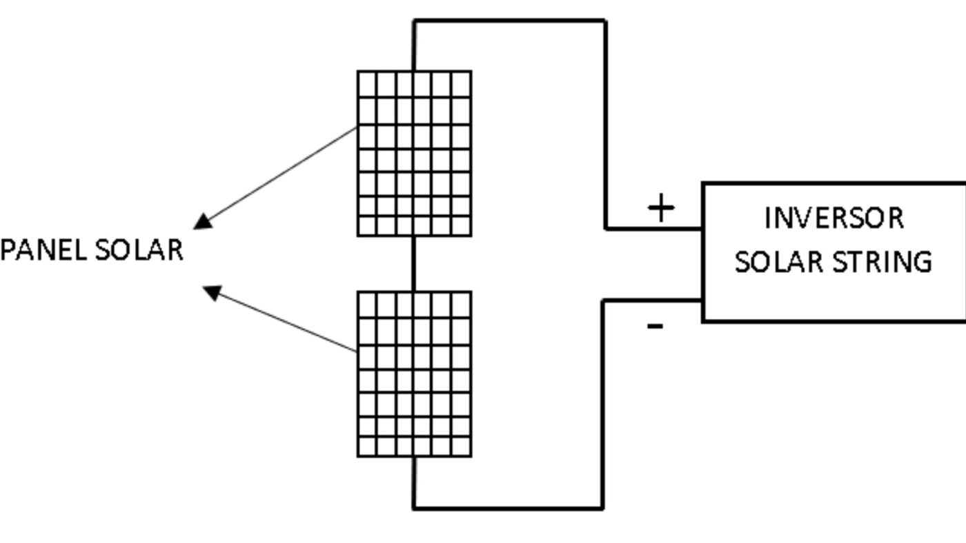
Equipos tipo string
Esta es la configuración más utilizada en instalaciones residenciales y comerciales de baja potencia. En la misma, los inversores están diseñados con una entrada en DC, puesto que los paneles solares son conectados en serie, formando una cadena o string tal y como se muestra en el diagrama a continuación. Esta configuración se detalla en este artículo.

Fuente: energydcac.com
La entrada gestiona una cadena independiente de módulos solares. Entre sus ventajas se encuentra que ofrece una buena eficiencia en general, su configuración es muy sencilla y es la más barata de todos, por lo que resulta muy rentable en comparación con la potencia generada.
Pero también reporta desventajas, como que uno de los módulos vea disminuida su producción por sombras u otras causas. En este caso, la producción se vería disminuida, incluso en caso de salir de servicio una placa, se abre el circuito y todo el sistema dejaría de generar AC.
Modernamente, para evitar esta última situación, se han adaptado de manera de recibir conexiones en paralelo de los paneles solares, tal y como se muestra en el siguiente esquema. Con esta forma de conectarse, la cual te detallamos en este post, en caso de fallar un módulo, el resto continúa generando al sistema.

Fuente: energydcac.com
Equipos tipo multi-string
Estos equipos, también llamados multicadena, poseen varias entradas por lo que se les pueden conectar varias configuraciones de paneles solares. Incluso los más modernos admiten cadenas en serie y en paralelo de módulos solares. De esta manera ofrecen una mayor versatilidad y flexibilidad.
Ya que las placas solares se pueden adaptar a superficies con sombreados parciales y que tengan distintas orientaciones. Deben tener condiciones muy similares, como el tipo de panel, orientación e inclinación, de forma que generen aproximadamente la misma potencia eléctrica DC. Son usados en instalaciones industriales.
Equipos microinversores
Resultan en aparatos de baja potencia incorporados en los módulos fotovoltaicos. Es un equipamiento que brinda gran confiabilidad, aunque resulta más costoso. Sus características las puedes observar en este post.
Los equipos inteligentes
Este tipo de inversor es gestionado con Inteligencia Artificial de manera que funciona con mayor eficiencia, favoreciendo el autoconsumo. Asimismo, permite el máximo aprovechamiento de la electricidad generada, optimizando su uso junto a su sistema de baterías.
Aunque el inversor es un equipo poco conocido en la actualidad, su uso se va extendiendo de la mano con los sistemas solares. En nuestro próximo post veremos los parámetros que debes tener en cuenta al adquirir uno de estos equipos y los valores recomendados para cada uno.
Para conocer más de este equipamiento, en nuestro post de energydcac.com conseguirás mucho material útil e interesante respecto al mismo. ¡No te lo pierdas!. Asimismo, te invitamos a pasar por nuestra tienda donde podrás adquirir nuestro curso de diseño de sistemas DC. Aquí podrás ver su contenido.
Necesitamos tu aporte
Con el fin de poder seguir generando contenido de calidad, necesitamos de tu donativo, el cual puedes hacer a través de nuestra cuenta PAYPAL que es energydcac.com@gmail.com. Nos será de una inestimable ayuda. De antemano te damos las gracias y nos despedimos hasta nuestro próximo post.

